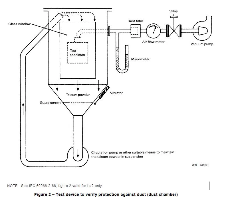
Dust test chamber
Standard Features| Item | Specification |
| Internal dimension | 800W*800D*800Hmm |
| External dimension | 1300W*1000D*1700Hmm |
| Test sample | Size W20cm- L30cm-D15cm, weight 0.5kg |
| Chamber material | SUS304 Stainless steel |
| Specifications of square mesh sieve | Mesh hole 75um, mesh metal wire diameter 50um |
| Talcum powder amount | 2kg/ m³ |
| Airflow speed | No more than 2m/s |
| Door | Left open door with tempered glass door |
| Controller | PLC Touch Screen controller, programmable to set as below cycle:- Blowing dust time (Stop/Blow) m/s
- Cycle time: can be adjusted
- Pre-set test time: 0s ~99m99s
|
| Vacuum system | Pressure gauge, air filter, Pressure regulating FRL, connecting pipe, Vacuum pump |
| Vacuum pump capacity | 60-600 L/H |
| Fan | Centrifugal fan |
| Safety protection devices | Meter over-temperature function, Phase shortage protection, Power short-circuit protection |
Chamber Design Features1, Chamber material: SUS#304 stainless steel;2, Transparent window is convenient to observe specimen during testing;3, Blow fan adopts stainless steel shell, high sealing and wing speed, low noise;4, Inside the shell is the funnel type, vibration cycle can be adjusted, dust free float in the sky falling to blowing the hole together.DETAIL IMAGE
Control panel

PLC operation interface

Internal chamber with sample tray & Hopper for dust collection

Anti-dust socket for sample connect to power source

Mesh and parts for filtering test dust
DESIGN DRAWING AS PER IEC60529
The Introduction Of Haida: Haida products are widely used in paper products, packaging, ink printing, adhesive tapes, bags, footwear, leather products, environment, toys, baby products, hardware, electronic products, plastic products, rubber products and other industries, and are applicable to all scientific research units, quality inspection institutions and academic fields. Our products meet UL, ASTM, JIS, GB,SO, TAPPI, EN, DIN, BS and other domestic and international standards.
Our Certifications:
Our Team:
Our Services:If you face any problems in future during testing process we promise we will give you a reply within 48 hours and solution provide within 3 working days. We can offer operation video and English operation muanual. We can provide video-conference. If customers require on-site service, the transport and travel expense shall be borne by customer.
1. Pre-service
--24 Hours online service for your consult.
--Help choose right model,and a series of service,person,advise.
2. Middle service
--Give you best offer
--Provide discount for many sets order
--Do customer's request:
--Choose payment term you convienent.
--Promptly production and delivery,inform you in time.
--Can provide invoice value as you like to decrease your tax.
3. After sale service
--1 year warranty service and all life maintenance.
--Technical Egineer are avalible for oversea trainning.
--Free change for some parts
--Remote control technical consult
--Free installation DVD
--Maintenance plan
4. Commitment:
We will sign a letter of commitment while we sign the contract, which will improve your confidence to us.
5. Good Packaging:
Simulation Animatronic Customer Triceratops are covered with air bubble film before put them into the wooden case, which not only has good shock absorption, impact resistance, heat sealing and also has the advantages of nontoxic, odorless, moisture corrosion, good transparency etc
Customer Feedback:

FAQ: Q:Are your company a trading one or a factory?A:Factory + trade (integration),More than 12 years focusing on test equipment field,6 years exporting experience.
Q:After an order is placed, when to deliver?A:Generally about 10-25days, If we have inventory, we can arrange shipment within 3 days.
Please be aware that our production lead times depend on specific items and item quantities.
Q:What about the warranty with after - sales services?A:The testing machine is guaranteed for 12 months by HAIDA,we can help you to repair
your problem controller freely,even it's not from our factory. After the warranty, the professional after-sale service team will provide perfect technical support and help guests solve problems encountered while using our product, handles guest problems and complaints in a professional and timely.
Q:What about the product' services and quality?A:Each equiopment must be carried out 100% quality examination and test when shipping and delivery goods. Product use training, each of our product provide video training to show you how to install & operate. We can arrange engineer to train the operation of equipment to customer's company when you need. products are widely recognized and trusted by users.
A :Considerate Service Different countries plugs, manually change the-voltage from 110V to 220V, insurance indicator.
Q: Can your products be customized?A: Yes, our product can be customized according to your parameters.